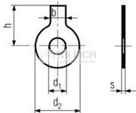
Podložka s jazýčkem DIN 93
Široká škála podložek je samozřejmou součástí sortimentu spojovacích materiálů. Společnost Killich s.r.o. nabízí podložky různých tvarů, rozměrů a norem. Vyrobeny jsou z oceli či nerezu. Podložky dodáváme domácím kutilům, drobným živnostníkům i velkým výrobním společnostem.
© 2026, KILLICH s.r.o. – všechna práva vyhrazena
Prohlášení o přístupnosti | Podmínky užití | Ochrana osobních údajů | Mapa stránek
Webové stránky vytvořila eBRÁNA s.r.o. | Vytvořeno na CMS WebArchitect | SEO a internetový marketing


